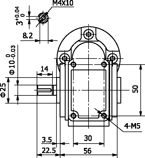
产品特点和用途 Description of The Product
1、适合减速器输出轴与电机成 90。的使用场合。
2、可以制造 12VDC 的产品,电动机转速根据需要可以调整。
3、电动机可以带编码器和刹车。
1、Suitable application: gearbox and motor output shafts form a right angle. 2、12VDC is available, motor speed is adjustable upon request.
3、Encoder & brake is available upon request.
电动机主要技术参数 Motor Technical Data
电机型号 Type | 额定电压 Rated voltage VDC | 空载转速 No-load speed r/min | 空载电流 No-load current A | 额定转速 Rated speed r/min | 额定转矩 Rated Torque mN.m | 输出功率 Output power W | 额定电流 Rated current A | 堵转转矩 Stall torque mN.m | 堵转电流 Stall Current A |
63ZY125-2430 | 24 | 3000 | 0.5 | 2600 | 0.25 | 70 | 4.6 | 1.1 | 20 |
63ZY125-3633 | 36 | 3300 | 0.5 | 2700 | 0.34 | 100 | 4.0 | 1.6 | 16 |
齿轮减速电机主要技术参数 Gear Motor Technical Data
配置 63ZY125-2430 直流电机(63ZY125-2430 DC Motor)
减 速 比 Reduction ratio | 30 | 15 | 10 |
减速级数 Number of gear trains | 1 | 2 | 3 |
空载转速 No-load speed r/min | 100 | 200 | 300 |
额定转速 Rated speed r/min | 87 | 173 | 260 |
额定转矩 Rated torque N.m | 5.2 | 3.0 | 2.1 |
最大瞬间允许负载 N.m Max. permissible load in a short time | 8.0 | 5.0 | 5.0 |
配置 63ZY125-3633 直流电机(63ZY125-3633 DC Motor)
减 速 比 Reduction ratio | 30 | 15 | 10 |
减速级数 Number of gear trains | 1 | 2 | 3 |
空载转速 No-load speed r/min | 110 | 220 | 330 |
额定转速 Rated speed r/min | 90 | 180 | 270 |
额定转矩 Rated torque N.m | 7.1 | 4.0 | 2.9 |
最大瞬间允许负载 N.m Max. permissible load in a short time | 8.0 | 5.0 | 5.0 |
在线客服