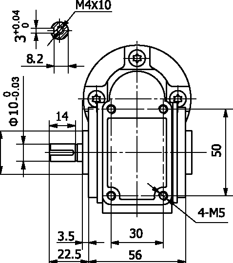
产品特点和用途 Description of The Product
1、适合减速器输出轴与电机成 90。的使用场合。
2、可以制造 12VDC 的产品,电动机转速根据需要可以调整。
3、电动机可以带编码器和刹车。
1、Suitable application: gearbox and motor output shafts form a right angle. 2、12VDC is available, motor speed is adjustable upon request.
3、Encoder & brake is available upon request.
电动机主要技术参数 Motor Technical Data
电机型号 Type | 额定电压 Rated voltage VDC | 空载转速 No-load speed r/min | 空载电流 No-load current A | 额定转速 Rated speed r/min | 额定转矩 Rated Torque N.m | 输出功率 Output power W | 额定电流 Rated current A | 堵转转矩 Stall Torque N.m | 堵转电流 Stall current A |
63ZY105-2420 | 24 | 2000 | 0.32 | 1550 | 0.125 | 20 | 1.6 | 0.55 | 6.0 |
63ZY105-2430 | 24 | 3000 | 0.40 | 2500 | 0.120 | 30 | 2.2 | 0.72 | 10.8 |
齿轮减速电机主要技术参数 Gear Motor Technical Data
配置 63ZY105-2420 直流电机 (63ZY105-2420 DC Motor)
减速比 Reduction ratio | 50 | 30 | 15 | 10 |
蜗杆头数 Number of threads | 1 | 1 | 2 | 3 |
空载转速 No-load speed r/min | 40 | 66 | 133 | 200 |
额定转速 Rated speed r/min | 31 | 51 | 103 | 250 |
额定转矩 Rated torque N.m | 4.3 | 2.6 | 1.5 | 0.85 |
允许转矩 Permissible load N.m | 10 | 8.0 | 5.0 | 3.0 |
配置 63ZY105-2430 直流电机 (63ZY105-2430 DC Motor)
减速比 Reduction ratio | 50 | 30 | 15 | 10 |
蜗杆头数 Number of threads | 1 | 1 | 2 | 3 |
空载转速 No-load speed r/min | 60 | 100 | 200 | 300 |
额定转速 Rated speed r/min | 50 | 83 | 166 | 250 |
额定转矩 Rated torque N.m | 4.3 | 2.6 | 1.5 | 0.85 |
允许转矩 Permissible load N.m | 10 | 8.0 | 5.0 | 3.0 |
在线客服