EN
产品中心
Product Center
当前位置: 首页 - 产品中心 - 无刷直流行星齿轮减速电机 - 36JXE30K/36ZWNP40
36JXE30K/36ZWNP40
无刷电动机主要技术参数 Motor Technical Data电机型号TYPE极数Numberof poles相数Numberof phase额定电压R...
  • 内齿圈材质:

    36JXE30K/36ZWNP40:金属材质

    36JXF30K/36ZWNP40:粉末金属

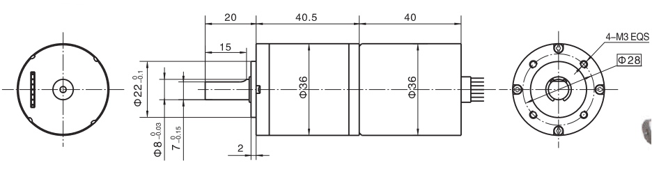
  • 直径:Φ36mm行星减速器

  • 允许转矩范围:0.3.m~3N.m

  • 无刷直流电动机,3相4极,内置驱动器   


产品详情
外形参考图
  • 无刷电动机主要技术参数 Motor Technical Data

电机型号

TYPE

极数

Number

of poles

相数

Number

of phase

额定电压

Rated 

voltage 

VDC

空载转速

No-load 

speed 

r/min

空载电流

No-load

current 

mA

额定转矩

 Rated 

torque 

mN.m

额定转速

 Rated 

speed 

r/min

额定电流

 Rated 

current 

mA

额定功率

Rated

Power

W

36ZWNP40-1240

4

3

12

4000

400

15

3000

850

4.7

36ZWNP40-2440

4

3

24

4000

200

20

3000

550

6.3


  • 无刷行星齿轮减速电机主要技术参数 Brushless Gear Motor Technical Data

配置36ZWNP40-1240无刷直流电机(36ZWNP40-1240 BLDC Motor)

减速比  Reduction ratio

3.7

5.2

14

19

27

51

71

100

139

189

264

369

减速级数     Number of gear trains

1

1

2

2

2

3

3

3

3

4

4

4

减速器长度(L)  Length(L)  mm

26.5

26.5

33.6

33.6

33.6

40.5

40.5

40.5

40.5

47.4

47.4

47.4

空载速度     No-load speed  r/min

1078

772

286

211

148

78

56

40

29

21

15

11

额定转速     Rated speed rAnin

809

579

214

158

111

59

42

30

22

16

11

8.1

额定转矩     Rated torque N.m

0.05

0.07

0.17

0.23

0.33

0.56

0.78

1.1

1.5

1.8

2.6

3

最大瞬间允许负载 N.m

Max. permissible load in a short time

1.0

1.0

3.5

3.5

3.5

7.5

7.5

7.5

7.5

9

9

9

配置36ZWNP40-2440无刷直流电机 (36ZWNP40-2440 BLDC Motor)

减速比  Reduction ratio

3.7

5.2

14

19

27

51

71

100

139

189

264

369

减速级数     Number of gear trains

1

1

2

2

2

3

3

3

3

4

4

4

减速器长度(L)  Length(L)  mm

26.5

26.5

33.6

33.6

33.6

40.5

40.5

40.5

40.5

47.4

47.4

47.4

空载速度     No-load speed  r/min

1078

772

286

211

148

78

56

40

29

21

15

11

额定转速     Rated speed rAnin

809

579

214

158

111

59

42

30

22

16

11

8.1

额定转矩     Rated torque N.m

0.067

0.093

0.23

0.31

0.44

0.74

1.0

1.5

2.0

2.5

3

3

最大瞬间允许负载 N.m

Max. permissible load in a short time

1.0

1.0

3.5

3.5

3.5

7.5

7.5

7.5

7.5

9

9

9


  • 接线方式 Wire Diagram

blob.png

25.png

产品推荐
product recommendation
28JXB30K/28ZWN38

内齿圈材质:

28JXB30K/28ZWN38:金属材质

直径:Φ28mm行星减速器

允许转矩范围:0.3N.m~3.0N.m

查看详情
56JX200K/57ZWN75

内齿圈材质:

56JX200K/57ZWN75:金属材质

直径:Φ56mm行星减速器

允许转矩范围:2N.m~20N.m



查看详情
56JX200K/57ZWN55

内齿圈材质:

56JX200K/57ZWN55:金属材质

直径:Φ56mm行星减速器

允许转矩范围:2N.m~20N.m


查看详情
42JXGT200K/42ZWNP59

内齿圈材质:

42JXGT200K/42ZWNP59:金属材质

直径:Φ42mm行星减速器

允许转矩范围:2N.m~20N.m

无刷直流电动机,3相4极,外置驱动器 


查看详情
在线客服