行星齿轮减速器 Planetary Gearbox
内齿圈材料 Ring material | E 型:金属Metal F 型:金属粉末Powder metal |
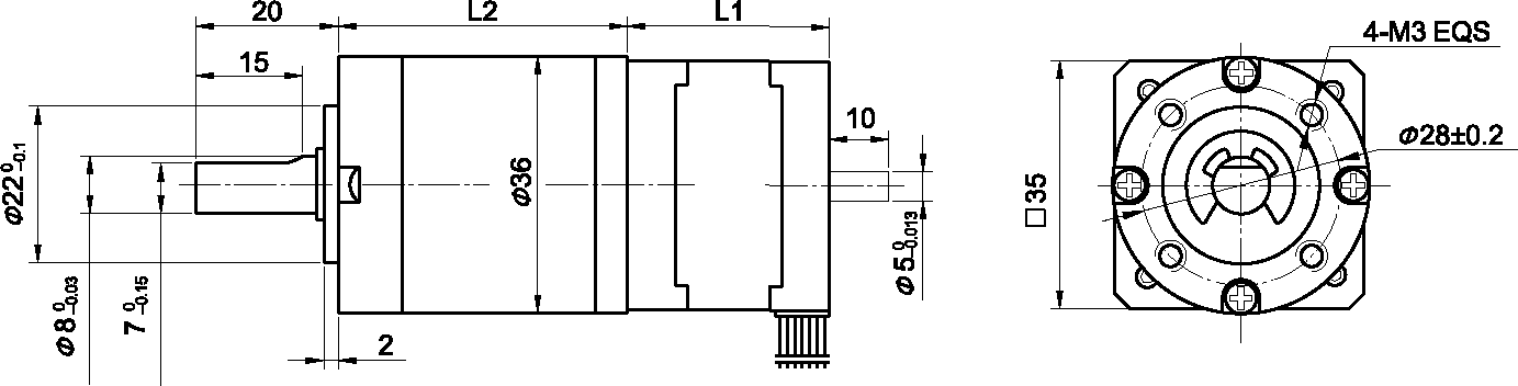
输出轴轴承形式 Bearing at output | 滚动轴承Ball bearings |
最大允许径向负载 (离法兰 10mm 处) Max. Radial load(10mm from flange) | ≤50N |
最大允许轴向负载Max. shaft axial load | ≤30N |
径向间隙(测量点尽量接近法兰) Radial play of shaft (near to flange) | ≤0.07 mm |
轴向间隙 Axial play of shaft | ≤0.3 mm |
背隙(无负载时) Backlash at no-load | ≤1.5° |
35STH 混合式步进电机性能 35STH Hybrid Stepping Motor Specifications
Model No. | 额定电压Rated Voltage | 每相电流 Current /Phase | 每相电阻 Resistance /Phase | 电感 Inductance /Phase | 保持转矩Holding Torgue | 引出线数 of Leads | 转动惯量Rotor Inertia | 重 量 Weight | 长度L1 Length L1 | 适配减速比Max. Gear Ratio |
单轴 Single Shaft | V | A | Ω | mH | g.cm | g-m? | g | mm | ||
35STH28-0504A | 10 | 0.5 | 20 | 14 | 1000 | 4 | 11 | 140 | 28 | ≤ 1:264 |
35STH36-1004A | 2.7 | 1.0 | 2.7 | 4.3 | 1400 | 4 | 14 | 180 | 36 | ≤1:189 |
36JXES60K 行星减速器性能 36JXES60K Planetary Gearbox Specifications
减速比 Reduction ratio | 3.71 | 5.18 | 14 | 19 | 27 | 51 | 71 | 100 | 139 |
减速级数 Number of gear trains | 1 | 2 | 3 | ||||||
减速器长度(L2) Length(L2) mm | 27.0 | 34.1 | 41.0 | ||||||
最大额定转矩 kg.cm Max. rated torque | 18 | 30 | 48 | ||||||
瞬间允许转矩 kg .cm Short time permissible torque | 54 | 90 | 144 | ||||||
效率 Efficiency % | 90% | 81% | 73% | ||||||
重量 Weight g | 195 | 210 | 290 | ||||||
矩频曲线 Frequency-torque Characteristics

在线客服