EN
产品中心
Product Center
当前位置: 首页 - 产品中心 - 方形齿轮减速器 - 80CJB250K
80CJB250K
减速比参数Gear Ratio Parameter参数 Parameter三级Stage3传动效率Transmission efficiency73%额定允许扭矩...
输出轴轴承形式 Bearing at output滚动轴承Ball bearings
最大允许径向负载(离轴前端10mm处)
Max.Radial load(10mm from the shaft end)
≤1500N
最大允许轴向负载 Max.shaft axial load≤600N
径向间隙(测量点尽量接近法兰)
Radial play of shaft (near to flange)
≤0.08mm
轴向间隙 Axial play of shaft≤0.4mm
背隙(无负载时)Backlash at no-load≤1.5°
输出轴最大承受压入力
Shaft press fit force,max
≤2000N


产品详情
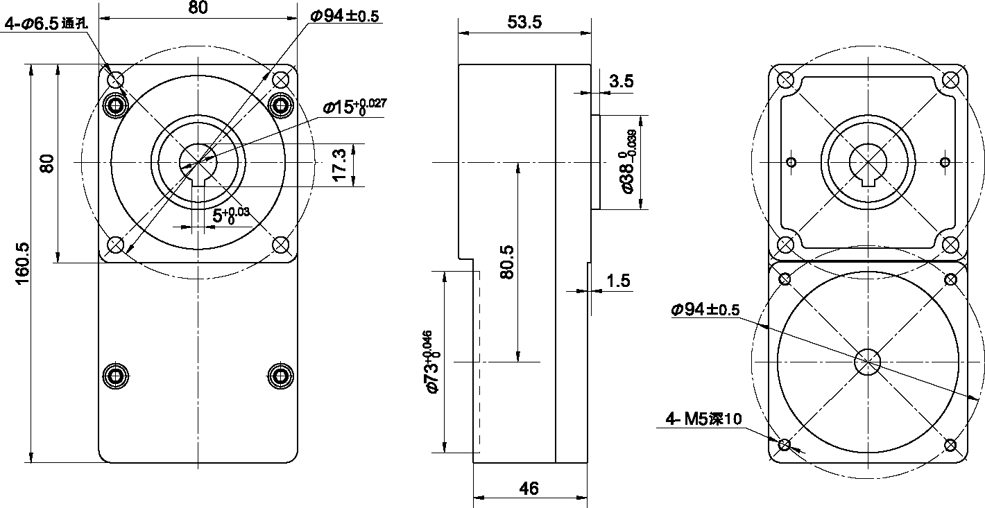
外形参考图
  • 减速比参数Gear Ratio Parameter


参数 Parameter

三级Stage3

传动效率

Transmission efficiency

73%

额定允许扭矩

Rated tolerance torque

25N.m

输入与输出转向

Input and output direction

反向 Reverse direction

瞬间允许扭矩

Max momentary tolerance torque

2倍额定扭矩 Two times of the rated torque

工作温度

Operating temperature

-10℃ ~ +80℃

使用相对湿度

Operating ambient humidity

20% ?85%RH

推荐输入转速

Recommend input speed

≤3000rpm


  • 电机配合方案Motor matching scheme

模数

Module

齿数

No.of teeth

三级

Stages



5

10

15

20

30

50

100

200


图片1.png

产品推荐
product recommendation
42JB30K

42mm方形齿轮减速器

允许转矩范围:3N.m


查看详情
80JB100K

80mm方形齿轮减速器

允许转矩范围:10N.m


查看详情
60JB50K

60mm方形齿轮减速器

允许转矩范围:5N.m


查看详情
90CJB400K

90mm方形齿轮减速器,

允许转矩范围:40N.m


查看详情
在线客服