减速比参数Gear Ratio Parameter
减速比Gear Ratio | LR寸(mm) Dimension | ||
—级 Stage1 | 3.5~ | 6.0 | 37 |
二级 Stage2 | 14 ~ | 30 | 43.7 |
三级Stage3 | 49 ~ | 144 | 50.5 |
四级Stage4 | 172 ~ | 504 | 57 |
参数 Parameter | —级 Stage1 | 二级 Stage2 | 三级Stage3 | 四级Stage4 | |
传动效率 | Transmission efficiency | 90% | 81% | 73% | 66% |
额定允许扭矩 | Rated tolerance torque | 2N.m | 4N.m | 8N.m | 15N.m |
瞬间允许扭矩 | Max momentary tolerance torque | 3倍额定扭矩 Three times of the rated torque | |||
工作温度 | Operating temperature | -10℃~ +80℃ | |||
使用相对湿度 | Operating ambient humidity | 20% ~ 85%RH | |||
推荐输入转速 | Recommend input speed | ≤4000rpm | |||
输入与输出转向 | Input and output direction | 同向 Same direction | |||
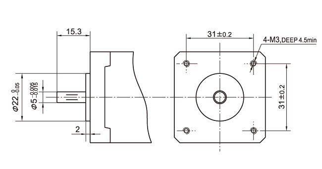
电机配合方案Motor matching scheme
![]() | 模数 Module | 齿数 No.of teeth | —级 Stage1 | 二级 Stage2 | 三级 Stages | 四级 Stage4 |
0.6 | 24 | 3.5 | 14 | 49 | 172 | |
21 | 84 | 294 | ||||
126 | 504 | |||||
18 | 4.33 | 17 | 61 | 212 | ||
104 | 364 | |||||
416 | ||||||
15 | 5.0 | 30 | ||||
12 | 6.0 | 24 | 144 |
在线客服